Integrated split bearing system for ARGOS Honduras’ Plug&Grind® XL mill, enabling in-situ replacement while reducing maintenance downtime from 5–7 days to just 1–2. Featuring the World’s Largest Split Toroidal Roller Bearing.
Transforming Maintenance in Plug&Grind® XL Cement Mills with a Custom Split Bearing Solution
Access the project in PDF format
ABS re-engineered the bearing support system of a Plug&Grind® XL mill using a split solution (Split Spherical Roller Bearing (SRB) + Split Toroidal Roller Bearing (STRB), including the world’s largest STRB), enabling in-situ replacement without dismantling, reducing downtime from ~7 days to 1–2, and improving reliability, sealing, and long-term maintainability.
- Sector: Cement Industry
- Equipment: Plug&Grind® XL Ball Mill
- Country: Honduras
- Criticality: High — critical grinding asset where downtime directly impacts production continuity and O&M costs
-
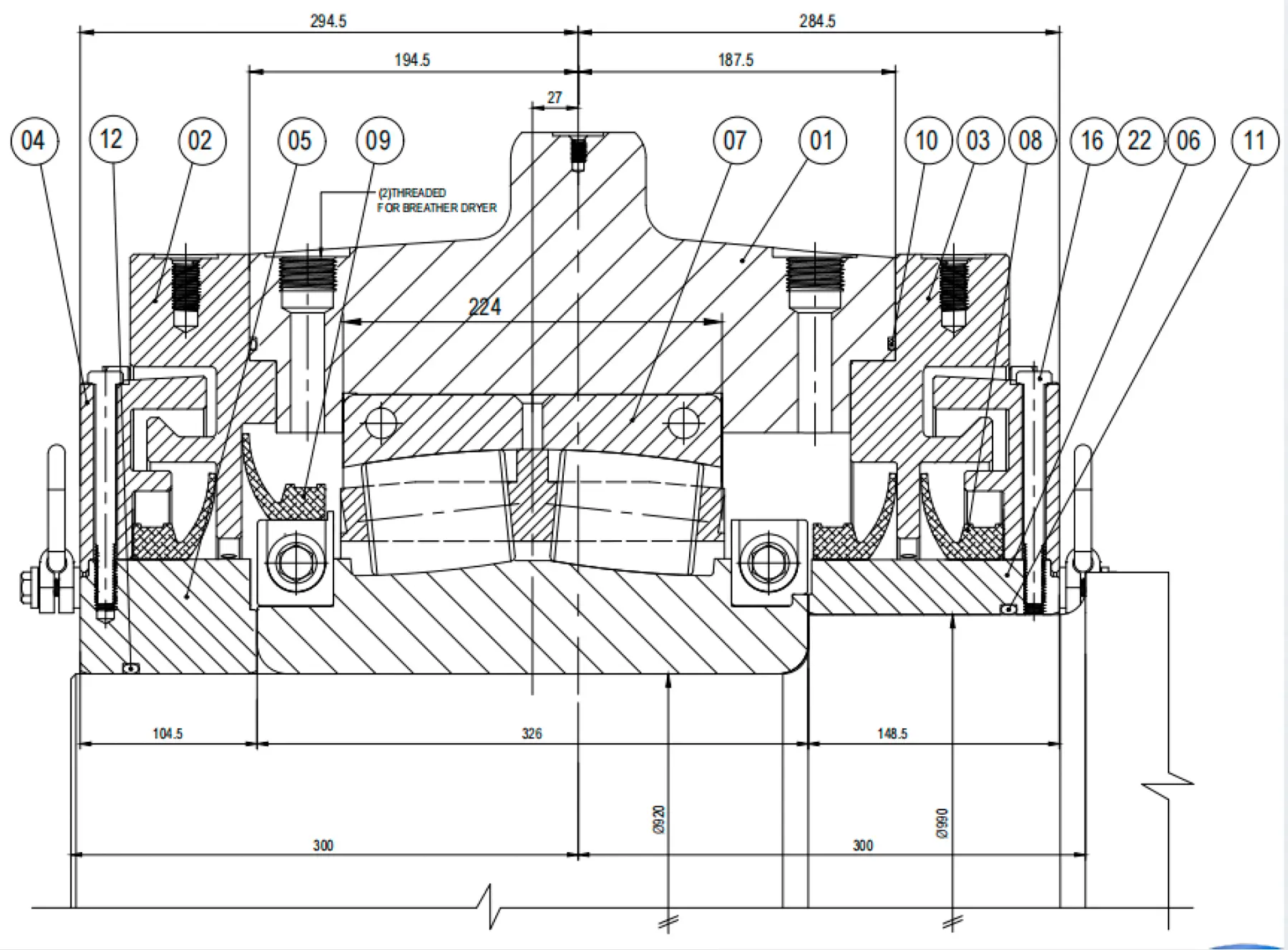
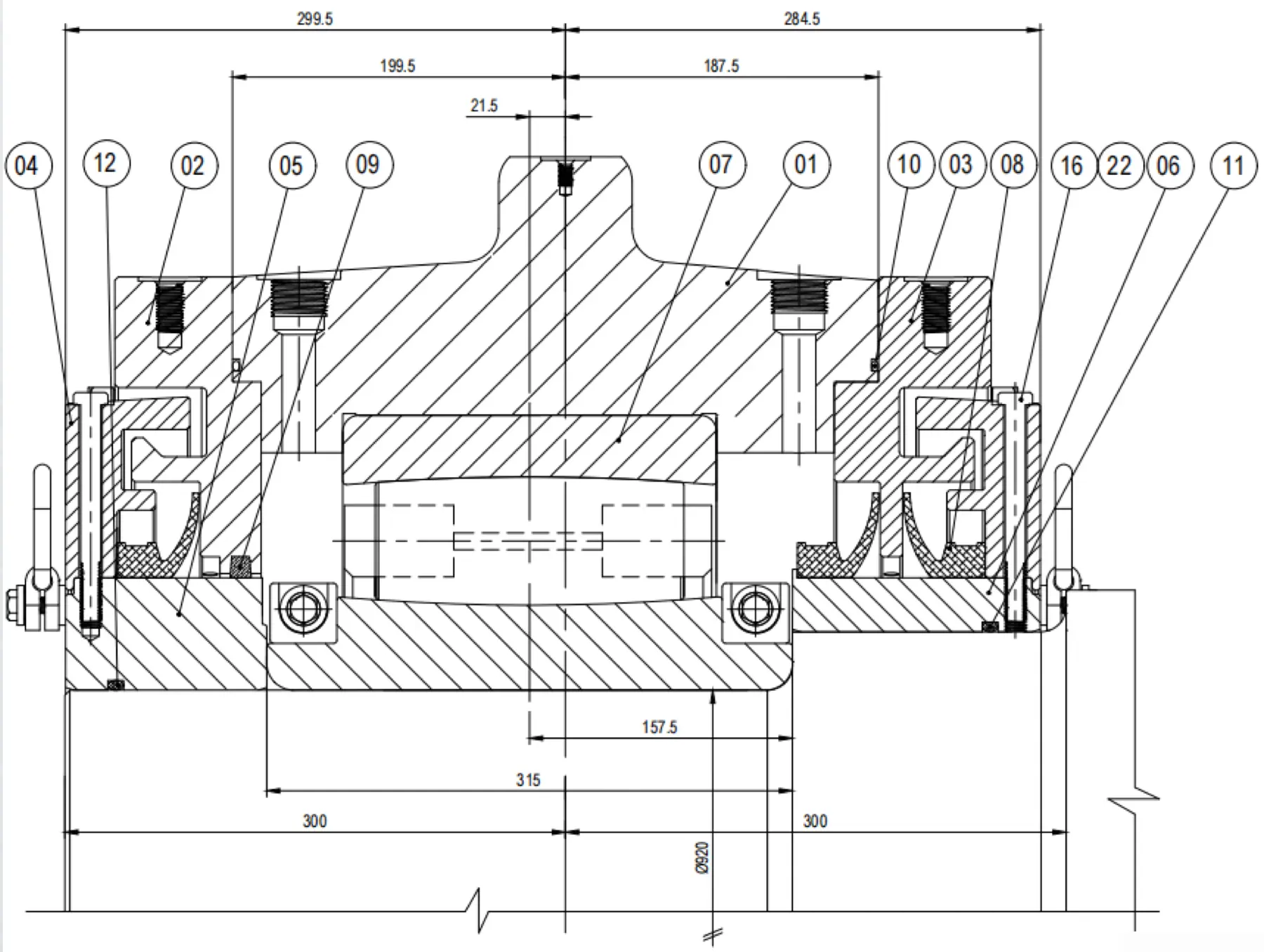
Key Data: 220K tons/year — Plant capacity | Ø 950 mm bore — World’s largest Split Toroidal Roller Bearing (free side) | 7,425 kN — Dynamic load rating (SRB, fixed side) | 1–2 days — Replacement time (vs. ~7 days conventional)

World’s Largest Split Toroidal Roller Bearing (STRB) | ABS & ACB Custom Bearings
Engineering Brief: The PLUG&GRIND® XL context

Río Blanquito Plant, San Pedro Sula, Honduras
The challenge was not to replace a bearing, but to rethink how maintenance is executed in a modular mill environment. While traditional cement grinding mills rely on hydrodynamic or hydrostatic journal bearings — Babbitt-lined pads operating on an oil film — the Plug&Grind® XL represents a different approach. Manufactured by Cemengal and installed at ARGOS Honduras’ Río Blanquito Plant, it is a modular, containerized grinding solution: a 3.0 m × 9.5 m ball mill driven by a 1,100 kW motor, producing 220,000 metric tons of cement per year within a compact, transportable footprint.
For this architecture, rolling-element bearings were selected on the trunnions instead of conventional journal bearings — a forward-looking decision aligned with the requirements of modular mills: lower friction, high radial load capacity with displacement capability, simplified lubrication, and a reduced support footprint.
Over time, operational stress revealed critical maintenance challenges, including premature bearing wear, lubrication loss due to sealing deficiencies, and the difficulty of replacing bearings within a confined modular structure. These issues called for a more maintainable solution.
When the scheduled bearing replacement coincided with a mill ferrule replacement under warranty, ARGOS Honduras commissioned ABS with a precise engineering brief: upgrade the existing rolling-element concept, simplify future changes, improve sealing integrity, and deliver a custom solution engineered for long-term maintainability.
The ABS solution: Three components, one integrated system
ABS engineered a tailored bearing support system specifically for the Plug&Grind® XL. This solution integrates three coordinated components designed to optimize load management, accommodate axial displacement, and streamline system maintainability.
FIXED SIDE – Split Spherical Roller Bearing (SRB)
Bore: Ø 950 mm | Dynamic C: 7,425 kN
This bearing supports the mill’s primary radial loads while ensuring axial positioning at the fixed location. To facilitate maintenance, the inner ring, the rolling assembly, and the outer ring, are all divided into two halves. This split design simplifies on-site replacement by allowing the entire unit to be assembled directly around the shaft in its operating position. The angled inner ring cuts facilitate precise alignment while maintaining structural continuity and uniform load distribution across the double row of barrel rollers. Furthermore, the precision machined brass cage ensures consistent roller guidance and stability under sustained high load conditions.
FREE SIDE – Split Toroidal Roller Bearing (STRB)
Bore: Ø 950 mm
Designed to handle axial displacement independently of radial loads, this bearing seamlessly manages thermal expansion as the mill shell heats up. Because the toroidal rollers are not constrained by axial shoulders, they glide freely along the raceway, eliminating structural stress and internal load build-up. This ensures exceptionally stable operation even under extreme thermal fluctuations. Furthermore, at Ø 950 mm, this unit holds the distinction of being the world’s largest split toroidal roller bearing.
Custom Split Housings – Engineered Around the Mill
ABS designed these housings from the ground up, adapting the internal bore geometry to accept the new bearing envelopes while improving stress distribution at the trunnion interfaces. This approach directly addresses the structural conditions identified during the project assessment and contributes to more stable load distribution during operation.
To maximize reliability, a reinforced multi-stage sealing system protects against cement dust and moisture while retaining vital lubrication. This advanced design ensures consistent contamination control and significantly extends service intervals.
The modular split-housing design allows for future bearing replacements without removing the housings, streamlining long-term maintenance.
The Split Bearing Advantage: Maintenance reimagined
Traditional large rolling bearings are single-piece components, making replacement a costly and complex endeavor. The process requires lifting the mill shell and exposing the shaft, a multi-day operation involving hydraulic tooling and highly skilled crews.
In contrast, the split format eliminates these bottlenecks. By allowing the bearing to be assembled directly around the shaft, it removes the need to lift the mill shell or disturb the drive train. This revolutionary design transforms a complex undertaking into a streamlined procedure, slashing downtime, and significantly reducing specialized labor costs.
Conventional Bearing Replacement
- Mill shell fully dismantled and lifted
- Crane and specialist rigging required
- Hydraulic press for bearing extraction
- 5–7 days planned downtime per cycle
- Housing removed and reinstalled each cycle
ABS Split Bearing Solution
- Mill remains in position; shaft stays mounted
- Portable lifting tools; no heavy-duty cranes required
- Bearing segments assembled in place
- 1–2 days planned downtime per cycle
- Housings remain permanently installed
Operational Impact
- Drastically reduces replacement time eliminating the need for heavy-duty cranes, hydraulic jacking, or specialized rigging in future cycles.
- Maximizes reliability – advanced multi-stage sealing ensures superior contamination exclusion and optimal lubrication retention.
- Extends service life – optimizes load distribution and environmental protection to significantly increase bearing longevity.
- Optimizes structural integrity – purpose-engineered housing geometry improves stress distribution at trunnion interfaces.
- Manages thermal expansion – seamlessly accommodates axial movement without introducing internal structural stress.
- Simplifies long-term maintenance – modular housings remain permanently in place, streamlining all future bearing replacements.
ABS Application-Driven Engineering for Heavy Industry
ABS is a global engineering company specialized in custom bearing and power transmission solutions for the most demanding industrial environments. The cement industry is one of its core sectors, where ABS supports critical equipment across grinding, kiln, and material handling applications. From design and manufacturing to supply and fiel support, ABS delivers integrated solutions tailored to the specific requirements of each application, supporting cement producers worldwide. In addition, through its industrial brands ACB Custom Bearings, AEC Engineering Chains, and MGS Gears, ABS designs and manufactures custom-engineered solutions that combine performance and reliability, with a strong installed base in cement plants as well as in other heavy industries globally.















